渣漿半球閥
本閥采用獨特的結構設計(專利號:ZL200530164436.7和ZL201030121331.1 ),采用全通道形式,顯著降低流阻和提高閥門耐磨防堵性能,是冶金、采礦、造紙、污水處理等系統的理想截止和調節設備。
渣漿半球閥
本閥采用獨特的結構設計(專利號:ZL201030164436.7和ZL201030197331.1 ),采用全通道形式,顯著降低流阻和提高閥門耐磨防堵性能,是冶金、采礦、造紙、污水處理等系統的理想截止和調節設備。
產品主要技朮特點
1、 使用范圍廣:廣泛應用于冶煉高爐水沖渣、電站鍋爐煤渣、礦山礦粘漿、煤裝、污水的輸送控制系統及化工、輕工業中類似系統的流體、半流體介質系統。亦可與其他閥門配合應用于水庫重力出流、壩底放空等高流速、高雜質含量工況的截止與調節。
2、 耐磨損、耐沖蝕能力強:當閥門開啟后,半球形閥芯密封面完全背對流道的,不受沖刷;閥芯與閥座具有耐磨、耐腐層,有效適應各種苛刻工況延長閥門使用壽命。閥軸與軸承部分采用防泥沙設計,有效防止雜質的沖刷與進入。過流通道可采用先進的襯貼陶瓷工藝,有效消除閥體磨損。閥軸與軸承部分采用防泥沙設計,防止雜質的沖刷與進入。
3、不積渣、零水損:如下圖所示,閥門采用全流道設計,當閥門全開時,半球形閥芯處于流道一側,不占用流道空間阻礙流體的通過,特別適合含渣量高與流速高的"雙高"介質;
閘閥類閥門由于流道內必須有閘板密封的斷面,無法實現流道的完整性,給積渣、擋渣留下天然隱患;
蝶式閥門擁有體積優勢,但由于其閥板畢竟處于流道中央,無法避免介質對閥板、閥軸以及閥座密封面的沖刷和閥板對介質流通產生的阻礙,容易產生渣質的堆積與密封的實效,故不能較長時間滿足工況要求。

4、操作方便:蝸輪傳動具有精確調節可靠定位功能,調節性能好可調范圍大。可采用電動、氣動及液動等多種驅動方式。
基礎參數
公稱壓力 | PN | 1.0 | 1.6 | 2.5 | 4.0 | 6.3 | Mpa | |
強度試驗 | PS | 1.5 | 2.4 | 3.8 | 6.0 | 9.6 | ||
密封試驗 | P | 1.1 | 1.8 | 2.8 | 4.4 | 7.04 | ||
使用溫度 | T | 軟密封適用200℃以下,硬密封碳鋼不超過425℃,不銹鋼不超過600℃ | ||||||
公稱尺寸 | DN200-DN1200 | |||||||
適用介質 | 爐渣水混合物、煤渣水混合物、礦粘漿、污泥水、煤漿、紙漿、料漿等用于兩相介質流體時,固液比應小于50%、最大顆粒≤20mm | |||||||
主要部件村質
序號 | 名稱 | 材質 | 序號 | 名稱 | 材質 |
1 | 閥體 | 球鐵、鑄鋼、不銹鋼、內襯陶瓷 | 7 | 卡環 | 銅合金 |
2 | 緊固件 | 不銹鋼 | 8 | 軸套 | 銅合金 |
3 | 密封件 | 丁腈橡膠、三元乙丙 | 9 | 短半軸 | 不繡鋼 |
4 | 閥座 | 不繡鋼N硬質合金 | 10 | 長半軸 | 不銹鋼 |
5 | 半球形閥芯 | 球鐵、鑄鋼、耐磨鑄鋼 | 11 | 密封軸套 | 丁腈橡膠 |
6 | 端蓋 | 灰鐵、球鐵、鑄鋼 | 12 | 控制裝置 | 蝸輪、電裝、氣缸 |
主要結構形式與型號

結構尺寸

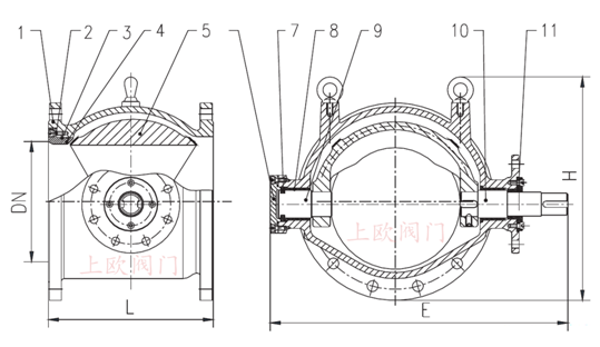
1、閥 2.、緊固件 3、密封件 4、閥座 5、半球形閥芯 6、端蓋 7、卡環 8、軸套 9、短半軸10、長半軸 11、密封軸套
公稱 通徑 | 長度 | 外形尺寸 (參考值) | |
DN | 短 | E | H |
600 | 1140 | 1132 | 855 |
700 | 1320 | 1170 | 925 |
800 | 1500 | 1342 | 1035 |
900 | 1660 | 1360 | 1135 |
1000 | 1850 | 1410 | 1270 |
1200 | 2220 | 1510 | 1485 |
1400 | 2580 | 1590 | 1685 |
1600 | 2960 | 1770 | 1930 |
1800 | 3300 | 2132 | 2130 |
2000 | 3700 | 2214 | 2360 |
2200 | 4070 | 2435 | 2580 |
2400 | 4500 | 2674 | 2780 |
公稱 通徑 | 長度 | 外形尺寸 (參考值) | |
DN | 短 | E | H |
50 | 180 | 320 | 165 |
80 | 200 | 350 | 210 |
100 | 229 | 390 | 230 |
125 | 254 | 415 | 270 |
150 | 267 | 445 | 285 |
200 | 400 | 485 | 350 |
250 | 450 | 534 | 410 |
300 | 630 | 613 | 470 |
350 | 740 | 790 | 530 |
400 | 840 | 870 | 590 |
450 | 940 | 950 | 655 |
500 | 1016 | 1045 | 730 |
注:因產品改進,可能存在實物與宣傳資料數據有所差異,本公司保留對以上數據的解釋權,
具體參數訂貨時請垂詢本公司技術部。
|
||||||||||||||||||||||||
![]() |
||||||||||||||||||||||||
| ||||||||||||||||||||||||










