D343H、D343F型三偏心多層次硬密封蝶閥PN6~PN10
D343H、D343F型三偏心多層次硬密封蝶閥PN6~PN10廣泛地應用到冶金、電力、石油、化工、空氣、煤氣、可燃氣體以及給排水等腐蝕性介質的管道上。
產品說明
D343H、D343F型三偏心多層次硬密封蝶閥PN6~PN10廣泛地應用到冶金、電力、石油、化工、空氣、煤氣、可燃氣體以及給排水等腐蝕性介質的管道上。
產品特點
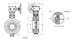
1、三偏心結構:閥桿軸線與蝶板密封面間偏置一個尺寸A,并與閥體通道軸線偏置一個尺寸B,閥座回轉軸線與閥體通道軸線形成一個偏心角a,故形成三偏心。蝶閥從0~90開啟,蝶板密封面會在開啟的瞬間立即脫離閥座封面,在其90~0關閉時,只有在關閉的瞬間,蝶板密封面才會接觸并壓緊閥座密封面,但可以通過外加驅動力矩的改變,實現對密封比壓的任意調整。所以閥座與蝶板上的密封面之間無任何摩擦,去除了磨損和泄漏的可能性。
2、桁架式蝶板結構:蝶板強度高,過流面積大,流阻小。
3、扭矩密封:三偏心的結構使蝶閥關閉時,其密封副兩密封面之間的密封比壓由外加于閥桿的驅動力矩產生。不僅消除了常規彈性閥座彈性材料老化、冷流、彈性失效等因素造成的密封比壓降低和消失,而且可以通過外中驅動力矩的改變,實現對其密封比壓的任意調整,從而使三偏心蝶閥的密封性能改善,蝶閥的使用壽命也大大提高。
4、軟硬層疊式金屬密封結構:蝶板密封圈采用軟硬層疊式不銹鋼片和柔性石墨組合,使其具有金屬硬密封和彈性密封的雙重優點,無論在低溫和高溫工況下均具有優良的密封性能。
5、雙向密封:因密封面錐角小于密封材料的摩擦角,蝶板關到密封位置時立即實現自鎖,并能承受一定的反向壓力沖擊。
6、防火結構:全金屬結構本身具有火災安全的特性。
7、D343H、D343Y、D343Y金屬密封蝶閥閥體密封面:采用堆焊硬質合金或不銹鋼使得密封面強度高、硬度好、耐磨損,可連續啟閉600000次以上而無損傷。
8、密封圈:密封圈由壓板夾在蝶板上,易于安裝、調節和更換。閥桿的上、下部位裝有軸套,防止磨損和粘連,提高了使用壽命。
結構連接尺寸
D343H、D343F型三偏心多層次硬密封蝶閥PN6~PN10外形結構連接尺寸(mm)
| 公稱通徑 | 結構長度 | 外形尺寸 | 連接尺寸 | ||||||||||||||||
| L | H | D343F、D343H | 0.6MPa | 1.0MPa | |||||||||||||||
| mm | inch | 短 | 長 | H1 | A1 | B1 | H2 | A2 | B2 | H3 | A3 | B3 | D | D1 | Z-d | D | D1 | Z-d | |
| 50 | 2 | 108 | 150 | 112 | 350 | 180 | 200 | 625 | 245 | 72 | 530 | 250 | 255 | 140 | 110 | 4-14 | 165 | 125 | 4-18 |
| 65 | 2 1/2 | 112 | 170 | 115 | 370 | 180 | 200 | 625 | 245 | 72 | 530 | 250 | 255 | 160 | 130 | 4-14 | 185 | 145 | 4-18 |
| 80 | 3 | 114 | 180 | 120 | 380 | 180 | 200 | 645 | 245 | 72 | 565 | 250 | 255 | 190 | 150 | 4-18 | 200 | 160 | 8-18 |
| 100 | 4 | 127 | 190 | 138 | 420 | 180 | 200 | 675 | 355 | 92 | 600 | 250 | 255 | 210 | 170 | 4-18 | 220 | 180 | 8-18 |
| 125 | 5 | 140 | 200 | 164 | 460 | 180 | 200 | 715 | 355 | 92 | 640 | 250 | 255 | 240 | 200 | 8-18 | 250 | 210 | 8-18 |
| 150 | 6 | 140 | 210 | 175 | 555 | 270 | 280 | 800 | 355 | 92 | 705 | 300 | 315 | 265 | 225 | 8-18 | 285 | 240 | 8-22 |
| 200 | 8 | 152 | 230 | 200 | 760 | 400 | 425 | 850 | 250 | 170 | 775 | 300 | 315 | 320 | 280 | 8-18 | 340 | 295 | 8-22 |
| 250 | 10 | 165 | 250 | 243 | 830 | 400 | 425 | 925 | 250 | 170 | 945 | 300 | 315 | 375 | 335 | 12-18 | 395 | 350 | 12-22 |
| 300 | 12 | 178 | 270 | 250 | 895 | 450 | 560 | 1035 | 450 | 220 | 1070 | 300 | 315 | 440 | 395 | 12-22 | 445 | 400 | 12-22 |
| 350 | 14 | 190 | 290 | 280 | 950 | 450 | 560 | 1070 | 450 | 220 | 1140 | 300 | 315 | 490 | 445 | 12-22 | 505 | 460 | 16-22 |
| 400 | 16 | 216 | 310 | 305 | 1190 | 535 | 580 | 1190 | 450 | 220 | 1210 | 300 | 315 | 540 | 495 | 16-22 | 565 | 515 | 16-26 |
| 450 | 18 | 222 | 330 | 350 | 1255 | 535 | 580 | 1250 | 650 | 280 | 1335 | 575 | 414 | 595 | 550 | 16-22 | 615 | 565 | 20-26 |
| 500 | 20 | 229 | 350 | 380 | 1305 | 535 | 580 | 1290 | 650 | 280 | 1415 | 575 | 714 | 645 | 600 | 20-22 | 670 | 620 | 20-26 |
| 600 | 24 | 267 | 390 | 445 | 1340 | 570 | 660 | 1455 | 850 | 380 | 1605 | 656 | 810 | 755 | 705 | 20-26 | 780 | 725 | 20-30 |
| 700 | 28 | 292 | 430 | 480 | 1520 | 750 | 550 | 1585 | 850 | 380 | 1844 | 656 | 810 | 860 | 810 | 24-26 | 895 | 840 | 24-30 |
| 800 | 32 | 318 | 470 | 530 | 1710 | 750 | 550 | 1700 | 1250 | 380 | 2040 | 656 | 810 | 975 | 920 | 24-30 | 1015 | 950 | 24-33 |
| 900 | 36 | 330 | 510 | 580 | 1810 | 750 | 550 | 1865 | 1250 | 380 | 2255 | 785 | 863 | 1075 | 1020 | 24-30 | 1115 | 1050 | 28-33 |
| 1000 | 40 | 410 | 550 | 650 | 1960 | 900 | 750 | 2015 | 1250 | 380 | 2380 | 785 | 863 | 1175 | 1120 | 28-30 | 1230 | 1160 | 28-36 |
| 1200 | 48 | 470 | 630 | 760 | 2250 | 1000 | 925 | 2250 | 1250 | 380 | 2640 | 785 | 863 | 1405 | 1340 | 32-33 | 1455 | 1380 | 32-39 |
| 1400 | 56 | 530 | 710 | 850 | 2435 | 1000 | 925 | 2886 | 1630 | 1560 | 36-36 | 1675 | 1590 | 36-42 | |||||
| 1600 | 64 | 600 | 790 | 1030 | 2780 | 1000 | 925 | 3156 | 180 | 1760 | 40-36 | 1915 | 1820 | 40-48 | |||||
| 1800 | 72 | 670 | 870 | 1230 | 3020 | 1100 | 980 | 3421 | 2045 | 1970 | 44-39 | 2115 | 2020 | 44-48 | |||||
| 2000 | 80 | 760 | 950 | 1350 | 3270 | 1100 | 980 | 3685 | 2265 | 2180 | 48-42 | 2325 | 2230 | 48-48 | |||||
尺寸圖

安裝注事事項
1、安裝前應核對蝶閥規格、壓力、溫度、耐腐性是否滿足使用要求。 應檢查各零部件是否損壞或松動。
2、本蝶閥可安裝在任意角度的管道上,應關閉安裝為宜;焊接管道法蘭時應將閥門密封口用板擋住以防止顆粒、雜物挫傷密封面,焊后取下 閥門,對閥門密封面及管道內腔進行清潔,然后再安裝固定閥門。
3、安裝時請注意閥門關閉狀態承壓方向。
4、安裝前應將密封面(兩端密封面、蝶板密封面、閥座密封面)徹底擦干凈,去掉灰塵和污物。
5、安裝前應空試蝶閥,啟閉應靈活,啟閉位置與指針指示位置相符合。
6、手動操作順時針為關,逆時針為開,指針指示到位后不準再加力啟閉閥門。
7、閥門做壓力試驗時,不準用單法蘭進行安裝試壓,必須采用雙法蘭安裝試壓。其試驗壓力應符合GB/T13927-92標準規定。
8、緊固螺栓時應對稱交替進行緊固,不準依次單獨緊固。
9、限位螺釘出廠前,已經調好,不準輕易調整。若配置驅動裝置為電動、氣動請閱配套驅動裝置說明書。
10、電動蝶閥出廠時已將控制機構的啟閉行程調好。為防止電源接通時方向搞錯,用戶在第一次接通電源前要先手動開啟至半開位置,再按點動開關,檢查指示盤方向與閥門開啟方向一致即可。
11、發現閥門啟閉失常應查明原因進行修理和排除,防止用加力方法開關閥門,造成閥門的損壞。
|
||||||||||||||||||||||||
![]() |
||||||||||||||||||||||||
| ||||||||||||||||||||||||










