D641X氣動法蘭切斷蝶閥PN6~PN16
D641X氣動法蘭切斷蝶閥PN6~PN16是由雙作用或單作用氣缸與軟密封法蘭蝶閥組成。電動法蘭軟密封蝶閥由橡膠密封蝶閥和碳鋼或不銹鋼閥板、閥桿構成。
產品概述
D641X氣動法蘭切斷蝶閥PN6~PN16是由雙作用或單作用氣缸與軟密封法蘭蝶閥組成。電動法蘭軟密封蝶閥由橡膠密封蝶閥和碳鋼或不銹鋼閥板、閥桿構成。適用于溫度≤120℃如輕紡、造紙、食品、醫藥、化工、石油、電力、等給排水、氣體管道上作調節流量和截流介質的作用。法蘭式軟密封蝶閥蝶板采用框架結構、強度高、流阻小、介質過流面積大。氣動執行機構具有力矩大、開啟速度快,現場隔爆安全性能高。
采用標準
設計標準:GB/T2238989
法蘭連接尺寸:GB/T9113.1-2000;GB/T9115.1-2000;JB78
結構長度:GB/T12221989
壓力試驗:GB/T13927992;JB/T9092999
主要特點
1、設計新穎、合理,結構獨特,重量輕,啟閉迅速。
2、操力矩小,操作方便,省力靈巧。
3、可以任何位置安裝、維修方便。
4、密封件可以更換,密封性能可靠達到雙向密封零泄漏。
5、密封材料耐老化、耐腐蝕,使用壽命長等特點。
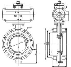
外形尺寸
| 公稱通徑 | 結構長度 (標準值) | 外形尺寸 (參考值) | 連接尺寸 (標準值) | |||||||||
|---|---|---|---|---|---|---|---|---|---|---|---|---|
| 0.6MPa | 1.0MPa | 1.6MPa | ||||||||||
| mm | in | L | H | H0 | A | B | D0 | n-d | D0 | n-d | D0 | n-d |
| 50 | 2 | 43 | 63 | 315 | 180 | 65 | 110 | 4-14 | 125 | 4-18 | 125 | 4-18 |
| 65 | 21/2 | 46 | 70 | 330 | 180 | 65 | 130 | 4-14 | 145 | 4-18 | 145 | 4-18 |
| 80 | 3 | 46 | 83 | 390 | 245 | 72 | 150 | 4-18 | 160 | 8-18 | 160 | 8-18 |
| 100 | 4 | 52 | 105 | 431 | 240 | 72 | 170 | 4-18 | 180 | 8-18 | 180 | 8-18 |
| 125 | 5 | 56 | 115 | 455 | 240 | 72 | 200 | 8-18 | 210 | 8-18 | 210 | 8-18 |
| 150 | 6 | 56 | 137 | 626 | 350 | 93 | 225 | 8-18 | 240 | 8-22 | 240 | 8-22 |
| 200 | 8 | 60 | 164 | 720 | 350 | 93 | 280 | 8-18 | 295 | 8-22 | 295 | 12-22 |
| 250 | 10 | 68 | 206 | 800 | 550 | 350 | 335 | 12-18 | 350 | 12-22 | 355 | 12-26 |
| 300 | 12 | 78 | 230 | 860 | 600 | 350 | 395 | 12-22 | 400 | 12-22 | 410 | 12-26 |
| 350 | 14 | 78 | 248 | 883 | 600 | 350 | 445 | 12-22 | 460 | 16-22 | 470 | 16-26 |
| 400 | 16 | 102 | 289 | 972 | 600 | 350 | 495 | 16-22 | 515 | 16-26 | 525 | 16-30 |
| 450 | 18 | 114 | 320 | 1043 | 750 | 380 | 550 | 16-22 | 565 | 20-26 | 585 | 20-30 |
| 500 | 20 | 127 | 343 | 1098 | 750 | 380 | 600 | 20-22 | 620 | 20-26 | 650 | 20-33 |
| 600 | 24 | 154 | 413 | 1236 | 750 | 380 | 705 | 20-26 | 725 | 20-30 | 770 | 20-36 |
| 700 | 28 | 165 | 478 | 1431 | 750 | 380 | 810 | 24-26 | 840 | 24-30 | 840 | 24-36 |
| 800 | 32 | 190 | 525 | 1488 | 750 | 380 | 920 | 24-30 | 950 | 24-33 | 950 | 24-39 |
| 900 | 36 | 203 | 620 | 1615 | 1250 | 380 | 1020 | 24-30 | 1050 | 28-33 | 1050 | 28-39 |
| 1000 | 40 | 216 | 725 | 1765 | 1500 | 580 | 1120 | 28-30 | 1160 | 28-36 | 1170 | 28-42 |
| 1200 | 48 | 254 | 780 | 1976 | 1500 | 580 | 1340 | 32-33 | 1380 | 32-39 | 1390 | 32-48 |
尺寸圖

安裝注事事項
1、安裝前應核對蝶閥規格、壓力、溫度、耐腐性是否滿足使用要求。 應檢查各零部件是否損壞或松動。
2、本蝶閥可安裝在任意角度的管道上,應關閉安裝為宜;焊接管道法蘭時應將閥門密封口用板擋住以防止顆粒、雜物挫傷密封面,焊后取下 閥門,對閥門密封面及管道內腔進行清潔,然后再安裝固定閥門。
3、安裝時請注意閥門關閉狀態承壓方向。
4、安裝前應將密封面(兩端密封面、蝶板密封面、閥座密封面)徹底擦干凈,去掉灰塵和污物。
5、安裝前應空試蝶閥,啟閉應靈活,啟閉位置與指針指示位置相符合。
6、手動操作順時針為關,逆時針為開,指針指示到位后不準再加力啟閉閥門。
7、閥門做壓力試驗時,不準用單法蘭進行安裝試壓,必須采用雙法蘭安裝試壓。其試驗壓力應符合GB/T13927-92標準規定。
8、緊固螺栓時應對稱交替進行緊固,不準依次單獨緊固。
9、限位螺釘出廠前,已經調好,不準輕易調整。若配置驅動裝置為電動、氣動請閱配套驅動裝置說明書。
10、電動蝶閥出廠時已將控制機構的啟閉行程調好。為防止電源接通時方向搞錯,用戶在第一次接通電源前要先手動開啟至半開位置,再按點動開關,檢查指示盤方向與閥門開啟方向一致即可。
11、發現閥門啟閉失常應查明原因進行修理和排除,防止用加力方法開關閥門,造成閥門的損壞。
|
||||||||||||||||||||||||
![]() |
||||||||||||||||||||||||
| ||||||||||||||||||||||||









