H41Y、H41H型法蘭連接升降式鋼制止回閥
H41Y、H41H型法蘭連接升降式鋼制止回閥是生產過程調節系統中的重要環節之一,是控制管道內介質單向流向的閥門,阻止介質倒流,達到自動化控制的目的,保護設備的正常運行。
產品介紹
型號:H41H、H41Y口徑(DN):15~300(mm)壓力(PN):1.6~10.0(Mpa)產品價格:電議日期:11-09-14瀏覽:186次

產品說明
H41Y、H41H型法蘭連接升降式鋼制止回閥是生產過程調節系統中的重要環節之一,是控制管道內介質單向流向的閥門,阻止介質倒流,達到自動化控制的目的,保護設備的正常運行。
產品特點
1、當介質由閥體箭頭所示流向進入閥體,介質的壓力作用在閥瓣上產生向上的推力,當介質推力大于閥瓣重力時,閥門打開。當閥后介質壓力作用在閥瓣上的力加上閥瓣自身重力大于閥前壓力作用在閥瓣上的力時,閥門關閉,阻止介質倒流.
2、H41H、H41Y 型升降式鋼制止回閥具有結構簡單,動作可靠,維修方便等優點,廣泛應用于凈化設備、石油、化工、冶金、電力、輕紡等生產過程中.
安裝注意事項
止回閥的安裝應注意以下事頂
1、在管線中不要使止回閥承受重量,大型的止回閥應獨立支撐,使之不受管系產生的壓力的影響。
2、安裝時注意介質流動的方向應與閥體所票箭頭方向一致。
3、升降式垂直瓣止回閥應安裝在垂直管道上。
4、升降式水平瓣止回閥應安裝在水平管道上。
產品性能參數
H41Y、H41H型法蘭連接升降式鋼制止回閥性能參數 | ||||
型號 | H41H-16C~100 | H41Y-16C~100 | H41W-16P~100 | |
工作壓力(MPa) | 1.6~10.0 | |||
適用溫度(℃) | ≤425 | ≤150 | ||
適用介質 | 水、蒸汽、油品 | 弱腐蝕性介質 | ||
材料 | 閥體、閥蓋 | 碳鋼 | 鉻鎳鈦不銹鋼 | |
密封面 | 堆焊鉻不銹鋼 | 堆焊硬質合金 | 鉻鎳鈦不銹鋼 | |
墊片 | 鋼帶石墨參纏繞 | 聚四氟乙烯 | ||
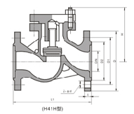
產品外形結構尺寸
H41Y、H41H型法蘭連接升降式鋼制止回閥PN16~PN100外形結構尺寸(mm) | |||||||
公稱通徑 | 主要外形尺寸和連接尺寸 | ||||||
L | D | D1 | D2 | b | Z-d | H | |
H41H-16C H41W-16C H41W-16P H41W-16R H41W-16I | |||||||
15 | 130 | 95 | 65 | 45 | 14 | 4-14 | 77 |
20 | 150 | 105 | 75 | 55 | 14 | 4-14 | 77 |
25 | 160 | 115 | 85 | 65 | 14 | 4-14 | 80 |
32 | 180 | 135 | 100 | 75 | 16 | 4-18 | 85 |
40 | 200 | 145 | 110 | 85 | 16 | 4-18 | 95 |
50 | 230 | 160 | 125 | 100 | 16 | 4-18 | 105 |
65 | 290 | 180 | 145 | 120 | 18 | 4-18 | 120 |
80 | 310 | 195 | 160 | 135 | 20 | 8-18 | 130 |
100 | 350 | 215 | 180 | 155 | 20 | 8-18 | 140 |
125 | 400 | 245 | 210 | 185 | 22 | 8-18 | 155 |
150 | 480 | 280 | 240 | 210 | 24 | 8-23 | 180 |
200 | 600 | 335 | 295 | 265 | 26 | 12-23 | 215 |
250 | 730 | 405 | 355 | 320 | 30 | 12-25 | 260 |
300 | 850 | 460 | 410 | 375 | 34 | 12-25 | 315 |
H41H-25 H41W-25 H41W-25P H41W-25R H41W-25I | |||||||
15 | 130 | 95 | 65 | 45 | 16 | 4-14 | 100 |
20 | 150 | 105 | 75 | 55 | 16 | 4-14 | 105 |
25 | 160 | 115 | 85 | 65 | 16 | 4-14 | 120 |
32 | 180 | 135 | 100 | 78 | 18 | 4-18 | 130 |
40 | 200 | 145 | 110 | 85 | 18 | 4-18 | 135 |
50 | 230 | 160 | 125 | 100 | 20 | 4-18 | 149 |
65 | 290 | 180 | 145 | 120 | 22 | 8-18 | 160 |
80 | 310 | 195 | 160 | 135 | 22 | 8-18 | 169 |
100 | 350 | 230 | 190 | 160 | 24 | 8-23 | 194 |
125 | 400 | 270 | 220 | 180 | 28 | 8-25 | 222 |
150 | 480 | 300 | 250 | 218 | 30 | 8-25 | 255 |
200 | 600 | 360 | 310 | 278 | 34 | 12-25 | 305 |
250 | 730 | 425 | 370 | 332 | 36 | 12-30 | 355 |
300 | 850 | 485 | 430 | 390 | 40 | 16-30 | 410 |
產品外形結構尺寸圖

相關新聞
|
||||||||||||||||||||||||
![]() |
||||||||||||||||||||||||
| ||||||||||||||||||||||||









