DMF-0.5型電磁式煤氣安全閥
DMF-0.5型電磁式煤氣安全閥是一種切斷裝置,對以煤氣為燃料的各種工業爐窯,保證安全不可缺少的重要設備。電磁式煤氣安全閥為法蘭連接,杠桿式啟閉閥。
產品概述
DMF-0.5型電磁式煤氣安全閥是一種切斷裝置,對以煤氣為燃料的各種工業爐窯,保證安全不可缺少的重要設備。電磁式煤氣安全閥為法蘭連接,杠桿式啟閉閥,它主要由電磁鐵,杠桿裝置彈簧及重錘,閥體,閥板和軸等零件組成當煤氣或助燃氣空氣壓力處于正常狀態時,安全閥處于全開位置,當煤氣或助燃空氣低壓時,通過相應的電路設計,可使用電磁鐵在某一規定的低壓時失電,這樣杠桿失去平衡,安全閥相連接的杠桿脫扣,重錘落下,安全閥立即關閉。另外供電系統一點斷電,也即電磁鐵失電和上述過程相同,安全閥立即關閉,這樣就達到了煤氣或助燃空氣低壓時以及斷電時,快速斷電時切斷煤氣的目的。本閥具有結構簡單、動作可靠、維護方便、價格低廉,并具有如下功能:煤氣低壓和空氣低壓報警,斷電時快速切斷,始終點閥位信號等。
性能參數
公稱壓力PN:0.05Mpa
泄漏量:零泄漏
電源電壓:220V.AC50HZ
溫度范圍:-20~180℃
切斷時間:<1.5S
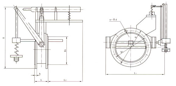
外形結構尺寸
| DN | D1 | D | D2 | L | L1 | L2 | H | B | n-φd |
| 100 | 170 | 205 | 145 | 120 | 360 | 250 | 460 | 10 | 4-12 |
| 150 | 225 | 260 | 200 | 145 | 510 | 250 | 510 | 14 | 8-18 |
| 200 | 280 | 315 | 252 | 145 | 410 | 250 | 565 | 14 | 8-18 |
| 250 | 335 | 370 | 310 | 180 | 520 | 280 | 620 | 16 | 12-18 |
| 300 | 395 | 435 | 362 | 180 | 580 | 300 | 670 | 16 | 12-23 |
| 350 | 445 | 485 | 412 | 180 | 630 | 300 | 720 | 16 | 12-23 |
| 400 | 495 | 535 | 462 | 200 | 680 | 300 | 770 | 20 | 16-23 |
| 450 | 550 | 590 | 518 | 250 | 740 | 300 | 820 | 20 | 16-23 |
| 500 | 600 | 640 | 570 | 250 | 780 | 300 | 860 | 22 | 16-23 |
| 600 | 705 | 755 | 670 | 270 | 895 | 320 | 960 | 22 | 20-25 |
| 700 | 810 | 860 | 775 | 270 | 1010 | 400 | 1060 | 22 | 24-25 |
| 800 | 920 | 975 | 880 | 270 | 1125 | 400 | 1150 | 22 | 24-30 |
| 900 | 1020 | 1075 | 980 | 270 | 1225 | 400 | 1250 | 24 | 24-30 |
| 1000 | 1120 | 1175 | 1080 | 300 | 1345 | 500 | 1360 | 24 | 28-30 |
| 1200 | 1340 | 1400 | 1295 | 300 | 1525 | 500 | 1500 | 24 | 32-34 |
| 1400 | 1560 | 1620 | 1510 | 300 | 1775 | 500 | 1800 | 24 | 36-34 |
| 1600 | 1760 | 1820 | 1710 | 350 | 1990 | 700 | 2100 | 24 | 40-41 |
| 1800 | 1970 | 2045 | 1970 | 350 | 2190 | 700 | 2350 | 24 | 40-41 |
| 2000 | 2180 | 2265 | 2110 | 350 | 2390 | 700 | 2600 | 24 | 48-48 |
注:1.與本閥配套的還有DCK-1型按制器,如用戶需要請注明,用戶也可自行設計控制回路。
2.選用時請注明:電磁式啟動器電壓、溫度、壓力等,特殊要求如防爆.戶外等請注明。
尺寸圖

|
||||||||||||||||||||||||
![]() |
||||||||||||||||||||||||
| ||||||||||||||||||||||||










